语言选择
中文
英文
公司介绍
公司简介
文化理念
发展历程
风采展示
视频中心
新闻资讯
产业应用领域
轨道交通领域
电子通讯领域
新材料领域
360展厅
营销网络
营销网络
服务理念
招贤纳士
联系方式
公司新闻
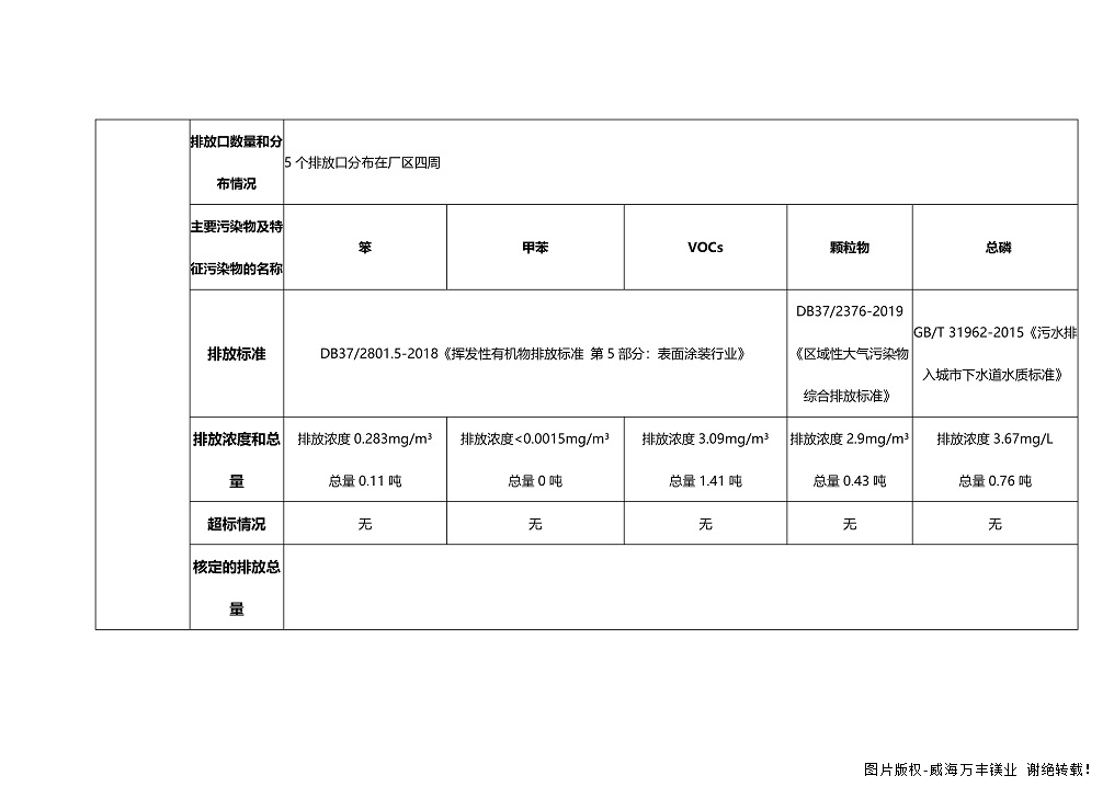
企业事业单位环境信息公示(2020年度)
发布时间 : 2021-1-14 13:53:22
返回列表
友情链接:
©Copyright 2003. 万丰镁业 All Rights Reserved.
鲁ICP备14024474号-1
鲁公网安备 37100302000119号